Эффективные решения для создания цифрового и умного производства
Компоненты. Разработка. Интеграция. Сервис
Преобразователи частоты Altivar Machine ATV320 ориентированы на применение в подъемных машинах и механизмах перемещения, в упаковочных машинах, в агрегатах текстильного производства, в станках и механизмах обработки материалов, в упаковочных и брошюровочных машинах и т.п.
Преобразователь частоты ATV320 имеет встроенные настраиваемые функции: ПИД-регулятор, выравнивание нагрузки, подъем с повышенной скоростью, выбор слабины каната, весоизмерение, позиционирование по концевым выключателям, остановка на расчетном пути, управление тормозом, управление нитераскладчиком и крестовая намотка. Также рассматриваемый преобразователь частоты позволяет разработчику системы управления создать новые функции управления, контроля и мониторинга с помощью встроенного в него контроллера. Данная возможность открывается в преобразователе частоты Altivar Machine ATV320 при использовании программного обеспечения SoMove компании Schneider Electric.
Для программирования применяется интегрированная с программным обеспечением SoMove среда разработки ATV Logic. На рисунке 1 приведен вид вкладки ATV Logic программного обеспечения SoMove для преобразователя частоты ATV320.
Рисунок 1. Вид вкладки ATV Logic для преобразователя частоты ATV320
Среда разработки ATV Logic представляет собой набор из 32 визуальных блоков, используя которые можно написать программу на языке графического программирования FBD (МЭК 61131-3).
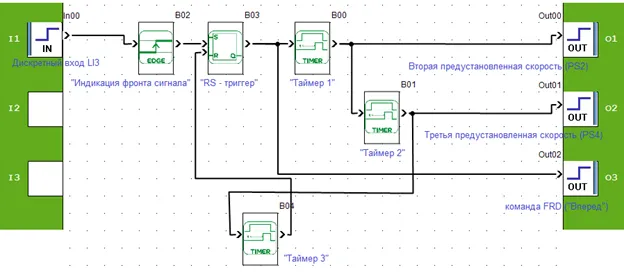
На рисунках ниже приведены примеры программ, реализованных во встроенном контроллере Altivar Machine ATV320 с помощью среды разработки ATV Logic программного обеспечения SoMove.
Рисунок 2. Программа, позволяющая осуществлять подсчет импульсов энкодера.

Рисунок 3. Программа, позволяющая работать электродвигателю с тремя предустановленными скоростями последовательно переходя от одной скорости к другой через заданное время.
Результаты работы последней программы показаны на рисунке 4.
Рисунок 4. Результаты работы программы работы электродвигателя с тремя предустановленными скоростями
Описание среды программирования приведено в руководстве «Altivar Machine 320. Variable Speed Drives for Synchronous and Asynchronous Motors. ATV Logic Manual. 2016». Руководство доступно по ссылке https://www.se.com/ru/ru/download/document/NVE71954/