Описание
Преобразователи частоты Goodrive20 (GD 20) – компактная общепромышленная серия. Это высокопроизводительные, миниатюрные преобразователи частоты, с векторным управлением, современным дизайном, креплением на DIN-рейку и встроенным ЭМС фильтром. Идеальное решение для малой мощности и низкого энергопотребления. Векторное и вольт-частотное регулирование, функции ПИД, простого ПЛК, интерфейс RS485. Современный аналог CHE 100, преобразователей Веспер и DELTA.
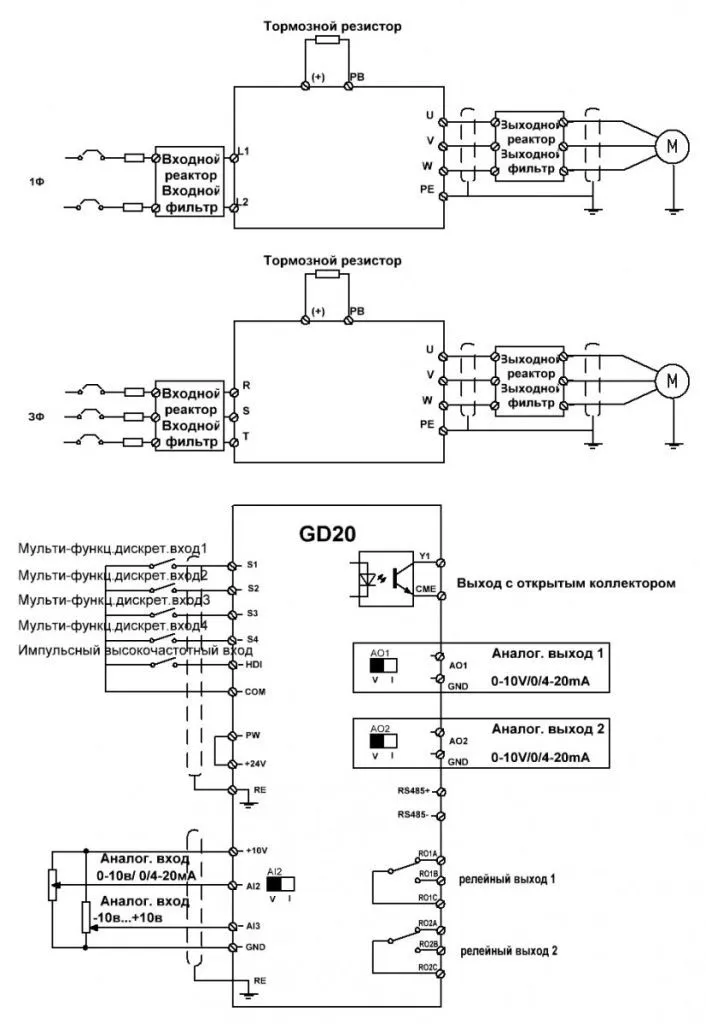
Схемы подключения

 
											
										 
                                         Каталог GD20-GD200A
 Каталог GD20-GD200A Чертеж GD20
 Чертеж GD20 
                                         
                                         
                                         
                                         
                                         
                                         
                                         
                                         
                                         
                                         
                                         
                                         
                                         
                                        