Блоки питания Omron s8vk c со скидкой до 70%
16.12.2019
Вернуться к списку новостей
Акция: скидки до 70% на оборудование OMRON! Отличная возможность использовать качественные комплектующие, не увеличивая расходы!
Блоки питания S8VK-C
Данный продукт всегда поддерживается на нашем складе, оставьте заявку на сайте и мы свяжемся с Вами!

Установил и забыл
-
Срок службы более 10 лет
-
Наработка на отказ более 55 лет
Работает там, где остальные не могут
-
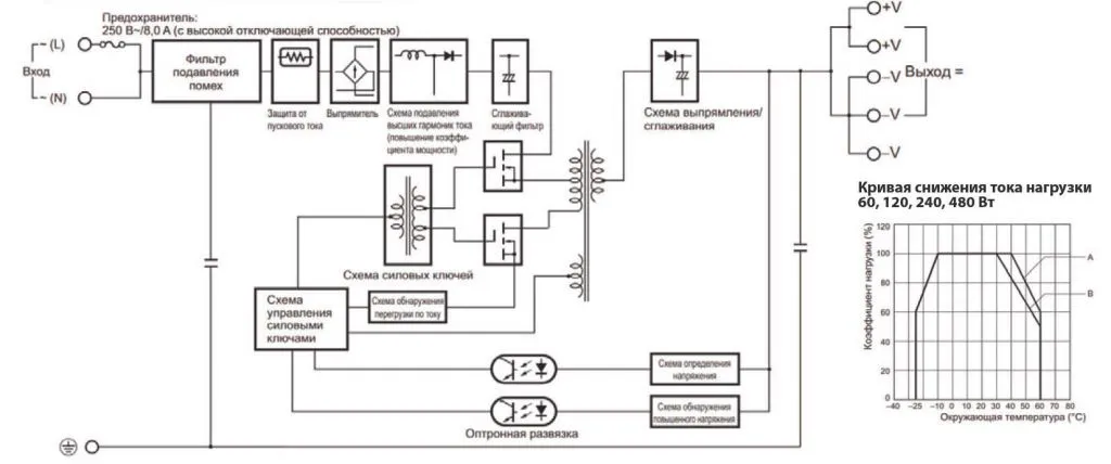
Температурный диапазон -25…+60 °С
-
Защита от перенапряжения и короткого замыкания
Отличные характеристики в компактном корпусе
-
Способен заменить любой источник питания той же мощности
-
Высокий КПД и качественные компоненты гарантируют низкое тепловыделение
Принцип Omron – рутинная работа машине, а человеку радость творчества. Наши источники питания позволяют забыть о замене и обслуживании за счет беспрецедентной надежности и универсальности, позволяя решать по настоящему интересные задачи
Подбор источника питания

1. Выходная мощность
060: 60 Вт
120: 120 Вт
240: 240 Вт
480: 480 Вт
Выходное напряжение
24: 24 ВИнформация для заказа
| Мощность | Входное напряжение | Выходное напряжение | Выходной ток | Модель |
| 60 W |
Однофазный от 100 до 240 В~ от 90 до 350 В= |
24 V |
2.5 А | S8VK-C06024 |
| 120 W | 24 V | 5 А | S8VK-C12024 | |
| 240 W | 24 V | 10 А | S8VK-C24024 | |
| 480 W | 24 V | 20 А | S8VK-C48024 |
Типовая схема источника питания линейки S8VK-C
